Produktdostupné

Redukcja DIN11851 DN100/80 (stożek+nakrętka/gwint)

659,00 

Rozmiar:DN 100/80
Typ:redukcja
Materiał:AISI 304L 1.4307
Katalogové číslo3010064

1 skladem

Krok množství
Odhadované dodání:1-2 pracovní dny
logos_payment_shiping
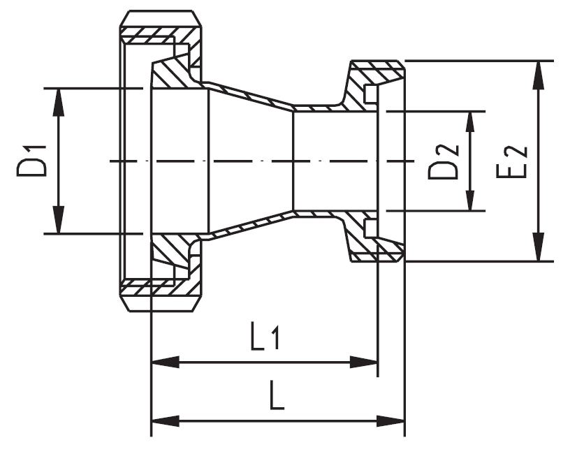
Redukcja składa się z dwóch części: korpusu oraz nakrętki. Taka konstrukcja pozwala na odkręcenie redukcji po stronie nakrętki bez konieczności wcześniejszego odkręcenia jej z drugiej strony. Do prawidłowego montażu konieczna jest uszczelka DN80 Standard: DIN11851 – złącze higieniczne Średnica nominalna 1: DN100 – gwint wewnętrzny (stożek + nakrętka) Średnica nominalna 2: DN80 – gwint zewnętrzny Gatunek stali: 1.4307 (AISI 304L) Średnica wewnętrzna 1: D1 = 100 mm Średnica wewnętrzna 2: D2 = 81 mm Długość: L = 123 mm Długość: L1 = 115 mm Gwint wewnętrzny (w nakrętce): Rd 130 x 1/4″ Gwint zewnętrzny: E2 = Rd 110 x 1/4″ Stal nierdzewna z gatunku 1.4307 charakteryzuje się dużą odpornością na ogólną korozję, przez co doskonale nadaje się do stosowania przy produktach spożywczych i alkoholach. Do pracy przy agresywnych środkach chemicznych zalecamy wybór stali kwasoodpornej z gatunku 1.4404 (AISI 316L).
Informacje o produkcie

Redukcja składa się z dwóch części: korpusu oraz nakrętki. Taka konstrukcja pozwala na odkręcenie redukcji po stronie nakrętki bez konieczności wcześniejszego odkręcenia jej z drugiej strony.

Do prawidłowego montażu konieczna jest uszczelka DN80

Standard: DIN11851 – złącze higieniczne

Średnica nominalna 1: DN100 – gwint wewnętrzny (stożek + nakrętka)

Średnica nominalna 2: DN80 – gwint zewnętrzny

Gatunek stali: 1.4307 (AISI 304L)

Średnica wewnętrzna 1: D1 = 100 mm

Średnica wewnętrzna 2: D2 = 81 mm

Długość: L = 123 mm

Długość: L1 = 115 mm

Gwint wewnętrzny (w nakrętce): Rd 130 x 1/4″

Gwint zewnętrzny: E2 = Rd 110 x 1/4″

Stal nierdzewna z gatunku 1.4307 charakteryzuje się dużą odpornością na ogólną korozję, przez co doskonale nadaje się do stosowania przy produktach spożywczych i alkoholach.

Do pracy przy agresywnych środkach chemicznych zalecamy wybór stali kwasoodpornej z gatunku 1.4404 (AISI 316L).

Metody wysyłki

 

Przesyłki kurierskie

  • Paczka kurierska do 30 kg – 19,99 zł
  • Paczka kurierska pobraniowa do 30 kg – 24,99 zł


Koszty wysyłek paletowych do H=220 cm

  • 120×80 cm – 225 zł
  • 120×100 cm – 245 zł

Przy wysyłce palety za pobraniem doliczana jest opłata w wysokości 30 zł za koszt pobrania.

Jesteśmy dostępni od poniedziałku 
do piątku w godzinach od 8:00 do 16:00

+48 570 076 800 | biuro@enotech.pl

Wytrzymałe węże i higieniczne złącza do przemysłu spożywczego

W kategorii węży i złączy spożywczych oferujemy rozwiązania stworzone z myślą o profesjonalnym przepływie cieczy w winiarstwie, browarnictwie, przemyśle spożywczym i farmaceutycznym. Nasze węże i akcesoria łączące wykonane są z materiałów bezpiecznych dla produktów spożywczych, takich jak PVC, silikon, EPDM czy stal nierdzewna AISI 304 i 316, co zapewnia pełną zgodność z wymaganiami sanitarnymi.
  • Bezpieczeństwo dla produktu – materiały dopuszczone do kontaktu z żywnością, wolne od BPA i ftalanów.
  • Odporność chemiczna i temperaturowa – idealne do przesyłu cieczy w warunkach intensywnego użytkowania.
  • Szeroka gama średnic i długości – elastyczność dopasowania do różnych typów instalacji.
  • Złącza higieniczne – Tri-Clamp, DIN, SMS i inne systemy gwarantujące szczelność i łatwość czyszczenia.
  • Wysoka odporność mechaniczna – węże i złącza odporne na zginanie, ścieranie i działanie ciśnienia.
  • Łatwość serwisowania – prosta instalacja i demontaż dzięki modułowej budowie systemów połączeń.
Jeśli zależy Ci na bezpieczeństwie, wydajności i higienie Twojej instalacji przetwórczej, postaw na sprawdzone węże i złącza spożywcze. Nasze rozwiązania spełniają najbardziej rygorystyczne normy i zapewniają niezawodność w każdej aplikacji technologicznej.
Wytrzymałe węże i higieniczne złącza do przemysłu spożywczego

Wiedza eksperta

Zaufaj opinii naszych klientów!

google-reviews-1-

Masz pytania? Skontaktuj się z nami!